1999 Cadillac Deville Blend Door Actuator Location

1999 Cadillac Deville Blend Door Actuator Blows Cold

1999 Cadillac Deville Blend Door Actuator Blows Cold

Deville Eldorado Seville 1999 2005 Removal Installation Repair Guide Autozone

Deville Eldorado Seville 1999 2005 Removal Installation Repair Guide Autozone

How To Replace A Blend Door Actuator In Under 15 Minutes

How To Replace A Blend Door Actuator In Under 15 Minutes

I Have 1999 Sts Seville If I Have The Air On It Blow Heat Out Driver Side The Passenger Side Blow Cool Air The Heat Work

I Have 1999 Sts Seville If I Have The Air On It Blow Heat Out Driver Side The Passenger Side Blow Cool Air The Heat Work

Solved 1993 Cadillac Deville No Heat On Driver Side But Good Heat On Fixya

Solved 1993 Cadillac Deville No Heat On Driver Side But Good Heat On Fixya

How To Replace Temperature Blend Door Actuator 96 99 Cadillac Deville 1a Auto

How To Replace Temperature Blend Door Actuator 96 99 Cadillac Deville 1a Auto

How To Replace Temperature Blend Door Actuator 96 99 Cadillac Deville 1a Auto

Heater blend door actuator connector.

1999 cadillac deville blend door actuator location.

The temperature door motor does not need to be removed in order to remove the mode actuator motor. More recently it started either having cold air on the passenger side or hot air randomly and you c. Have a 2004 cadillac sedan deville the blend door actuator have a 2004 cadillac sedan deville the blend door actuator clicks when you change vent locations. Where is the delivery mode door actuator located.

Questions cadillac cadillac seville 1999 cadillac seville. You can follow the vacuum lines from the a c heater control to the actuator. A c blend door actuator 2001cadillac deville the actuator is usually in the vent housing behind the control panel. Access our free removal installation repair guide for deville eldorado seville 1999 2005 through autozone rewards.

No parts for vehicles in selected markets. Why in diagnosing the problem with the delivery mode door actuator you never reply to how to fix it or where it is located in the car to get to it. How to replace temperature blend door actuator 96 99 cadillac deville. Installation instructions steps video transcript transcript.

1999 cadillac seville sts.

Hvac Mode Actuator Replacement Chevy Avalanche Fan Club Of North America

Hvac Mode Actuator Replacement Chevy Avalanche Fan Club Of North America

Vent Door Motor Remove Vents And Lower Dash Panels

Vent Door Motor Remove Vents And Lower Dash Panels

2004 Cadillac Deville 4 6l V8 Auto1diagnostic 831 272 2261

2004 Cadillac Deville 4 6l V8 Auto1diagnostic 831 272 2261

Amazon Com A Premium Hvac Heater Air Blend Door Actuator Replacement For Cadillac Eldorado 1996 2002 Deville 1996 1999 Seville 1996 1997 Automotive

Amazon Com A Premium Hvac Heater Air Blend Door Actuator Replacement For Cadillac Eldorado 1996 2002 Deville 1996 1999 Seville 1996 1997 Automotive

Fits Cadillac Deville 96 99 Eldorado 96 02 Blend Door Actuator 604 128 Hvac Ebay

Fits Cadillac Deville 96 99 Eldorado 96 02 Blend Door Actuator 604 128 Hvac Ebay

Solved Removal Of Heater Core 02 Cad Eldorado 1992 2002 Cadillac Eldorado Ifixit

Solved Removal Of Heater Core 02 Cad Eldorado 1992 2002 Cadillac Eldorado Ifixit

1999 Chevy Tahoe Fuse Box Diagram Furthermore P0452 Chevy 03 Tahoe Location Moreover Impala Vent Valve Soleno Chevy Tahoe Chevy Trailblazer Transmission Cooler

1999 Chevy Tahoe Fuse Box Diagram Furthermore P0452 Chevy 03 Tahoe Location Moreover Impala Vent Valve Soleno Chevy Tahoe Chevy Trailblazer Transmission Cooler

02 Deville Mode Door Actuator Replacement Cadillac Owners Forum

02 Deville Mode Door Actuator Replacement Cadillac Owners Forum

Cadillac Escalade A C Blend Door Actuator Hvac Youtube

Cadillac Escalade A C Blend Door Actuator Hvac Youtube

Blend Door Vs Mode Door Actuator Global Parts Distributors Llc

Blend Door Vs Mode Door Actuator Global Parts Distributors Llc

2000 Cadillac Deville Mode Door Actuator Replacement Youtube

2000 Cadillac Deville Mode Door Actuator Replacement Youtube

Amazon Com Hvac Heater A C Mode Air Door Actuator Temperature Blend Lever Replacement For Cadillac Seville 52492938 Automotive

Amazon Com Hvac Heater A C Mode Air Door Actuator Temperature Blend Lever Replacement For Cadillac Seville 52492938 Automotive

Ac Works On Passenger Side Only General Cadillac Forums Caddyinfo Cadillac Forum

Ac Works On Passenger Side Only General Cadillac Forums Caddyinfo Cadillac Forum

No Air Coming Through Vents I Recently Bought This Car It Was

No Air Coming Through Vents I Recently Bought This Car It Was

Amazon Com Dorman 604 167 Hvac Heater Blend Door Actuator Automotive

Amazon Com Dorman 604 167 Hvac Heater Blend Door Actuator Automotive

Amazon Com Hvac Ac Rear Blend Door Actuator For Chevy Tahoe Chevy Suburban Trailblazer Gmc Yukon Cadillac Escalade Buick Lesabre Replace 1572972 604 111 52402611 89018375 16164972 Automotive

Amazon Com Hvac Ac Rear Blend Door Actuator For Chevy Tahoe Chevy Suburban Trailblazer Gmc Yukon Cadillac Escalade Buick Lesabre Replace 1572972 604 111 52402611 89018375 16164972 Automotive

Pin Na Doske Kulon 2

Pin Na Doske Kulon 2

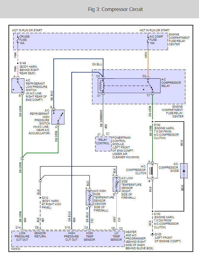
Cadillac Wiring Diagrams 1957 1965

Cadillac Wiring Diagrams 1957 1965

Https Encrypted Tbn0 Gstatic Com Images Q Tbn 3aand9gcrccfhwpgnuto6iueixziz0zryqxg6x3yiz9zkikcze7437lsjx Usqp Cau

Https Encrypted Tbn0 Gstatic Com Images Q Tbn 3aand9gcrccfhwpgnuto6iueixziz0zryqxg6x3yiz9zkikcze7437lsjx Usqp Cau

Cadillac Ac Blows On Defrost Only Youtube

Cadillac Ac Blows On Defrost Only Youtube

Cadillac Sts Parts Partsgeek Com

Cadillac Sts Parts Partsgeek Com

How To Replace A C Temperature Actuators On 2007 Cadillac Srx Youtube

How To Replace A C Temperature Actuators On 2007 Cadillac Srx Youtube

A C Heater Controls For 1999 Cadillac Deville For Sale Ebay

A C Heater Controls For 1999 Cadillac Deville For Sale Ebay

Passenger Side Blend Door Or Actuator Cadillac Owners Forum

Passenger Side Blend Door Or Actuator Cadillac Owners Forum

The Mower Shop Inc Grasshopper Lawn Mower Parts Diagrams

The Mower Shop Inc Grasshopper Lawn Mower Parts Diagrams

Amazon Com Car Key Fob Keyless Entry Remote Fits 1998 1999 2000 Cadillac Deville Eldorado Seville Kobut1bt 25656444 Set Of 2 Automotive

Amazon Com Car Key Fob Keyless Entry Remote Fits 1998 1999 2000 Cadillac Deville Eldorado Seville Kobut1bt 25656444 Set Of 2 Automotive

95 Deville Programmer Check Youtube

95 Deville Programmer Check Youtube

5 Signs Of A Failing Heater Core And What To Do

5 Signs Of A Failing Heater Core And What To Do

92 Cadillac Sedan Deville Repair Videos Youtube

92 Cadillac Sedan Deville Repair Videos Youtube

Amazon Com A Premium Hvac Heater Air Blend Door Actuator Replacement For Cadillac Deville 2000 2001 2002 2003 2004 2005 Automotive

Amazon Com A Premium Hvac Heater Air Blend Door Actuator Replacement For Cadillac Deville 2000 2001 2002 2003 2004 2005 Automotive

Sparky S Answers 1998 Cadillac Deville Passenger Side Vents Hot With A C On

Sparky S Answers 1998 Cadillac Deville Passenger Side Vents Hot With A C On

Hvac Actuator Reset Acdelco Techconnect Youtube

Hvac Actuator Reset Acdelco Techconnect Youtube

Importance Of Torque Sequence In Gasket Installation Youtube

Importance Of Torque Sequence In Gasket Installation Youtube

A C Heater Controls For Cadillac Deville For Sale Ebay

A C Heater Controls For Cadillac Deville For Sale Ebay

How To Test Blend Door Actuator Climate Control Heater Temp Control Any Car Youtube

How To Test Blend Door Actuator Climate Control Heater Temp Control Any Car Youtube

Air Condition Blows Hot Air Only Cadillac Owners Forum

Air Condition Blows Hot Air Only Cadillac Owners Forum

How To Replace The Blend Door Actuator On A Ford Ranger Youtube

How To Replace The Blend Door Actuator On A Ford Ranger Youtube

05 07 Cadillac Cts Ac Heat Blend Door Actuator Removal And Install Youtube

05 07 Cadillac Cts Ac Heat Blend Door Actuator Removal And Install Youtube

Ac Heater Blows Hot On Driver Side Cold On Passenger Side Youtube

Ac Heater Blows Hot On Driver Side Cold On Passenger Side Youtube

Oe Solutions Air Door Actuator Mode Temperature 604 150 The Home Depot

Oe Solutions Air Door Actuator Mode Temperature 604 150 The Home Depot

How To Replace Air Temperature Control 00 13 Chevy Silverado 1500 1a Auto

How To Replace Air Temperature Control 00 13 Chevy Silverado 1500 1a Auto

Symptoms Of Bad Blend Door Actuator Youtube

Symptoms Of Bad Blend Door Actuator Youtube

Metallica One State College Pa October 20 2018 Youtube

Metallica One State College Pa October 20 2018 Youtube

Https Encrypted Tbn0 Gstatic Com Images Q Tbn 3aand9gcrfgwx85lcalmyzvsnkwnb Jbmrdcasv3smdt9fhsnee71fagru Usqp Cau

Https Encrypted Tbn0 Gstatic Com Images Q Tbn 3aand9gcrfgwx85lcalmyzvsnkwnb Jbmrdcasv3smdt9fhsnee71fagru Usqp Cau

Source : pinterest.com